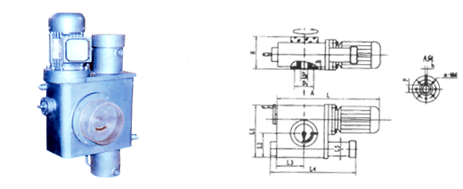
电液回转器
点击放大
产品名称: 电液回转器 公司名称: 扬州凯斯通液压机械制造厂 产品型号: DYHQ 产品简介: DYHQ回转器是一种机、电、液、仪一体化的新型电液动力装置,它以液压缸为主体,由电动机、
油泵、油箱、滤油器、液压集成阀、转臂连杆组合的总成。
通过电机运转带动油泵,经液压集成阀即可使液压输出力和位移运动,带动转臂连杆产生0-90度、0-
120度间任意锁定。
详细说明
DYHQ型系列电液动回转器(转角器)
特 点
1、实现机、电、液、仪一体化,可远距离控制、中央调度室监控和微机控制。
2、电动执行机构(电动头)由蜗杆传动、弹簧力矩控制、机械磨损大、力矩经常失灵,不易调
整,过载烧电机,操作不方便,而回转液压传动,过载溢流保护、无级调整、运行平稳、力矩较大、任
意锁定,配置不同的仪器,仪表可实现管道内衡流控制。
3、采用全封闭结构,不漏油、不吸尘、不吸水、内部不锈蚀,使用寿命长,适应各种非高温(120℃
以下)的恶劣环境使用。
4、特别是风门选用DYHQ-C型可任意调节不同角度,调节风量大小比双行程气动执行机构、电动
执行机构操作简便、可靠。
5、在电控部分,电动头是由多组接线端子、二级管、继电器等复杂的电子元件组成,质量不稳定,
在金属、煤炭等大气污染恶劣的环境中使用容易使之失灵,而回转器结合液压特点采用进口全封闭集成
电路板,体积小,重量轻,启闭速度快。
6、液压缸两端设有机械调整机构,便于现场安装要求。
7、设有电动、手动装置,且无需切换任意操作,方便安装和停电时工作。
工作原理
DYHQ回转器是一种机、电、液、仪一体化的新型电液动力装置,它以液压缸为主体,由电动机、
油泵、油箱、滤油器、液压集成阀、转臂连杆组合的总成。
通过电机运转带动油泵,经液压集成阀即可使液压输出力和位移运动,带动转臂连杆产生0-90度、0-
120度间任意锁定。
产品型号编制规则
产品搜索产品中心
电话: 13390608028 传真: 0514-84718656 联系人: 吕先生 邮箱: 1509364938@qq.com 地址: 江苏省扬州市高邮市汤庄镇工业集中区 |
液压传动设备 |







相关产品

整体直式电液推杆
平行式电液推杆
整体直式微型电液推杆
分离式电液推杆
超大型电液推杆