电液动百叶阀
点击放大
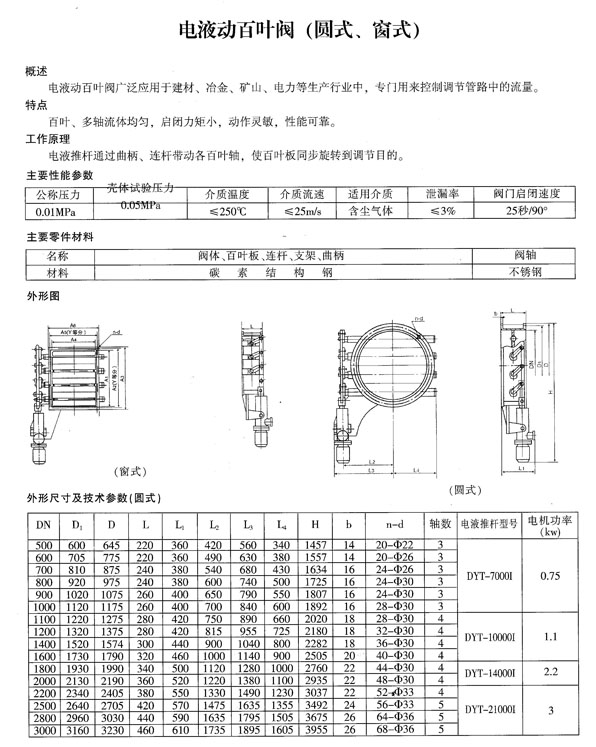
产品名称: 电液动百叶阀 公司名称: 扬州凯斯通液压机械制造厂 产品型号: Dybyf 产品简介: 电液动百叶阀是用电液推杆或电液回转器为动力源,广泛应用于建材、冶金、矿山、水泥、电力等生产行业。专门用来控制调节管路中的流量。
详细说明
产品搜索产品中心
电话: 13390608028 传真: 0514-84718656 联系人: 吕先生 邮箱: 1509364938@qq.com 地址: 江苏省扬州市高邮市汤庄镇工业集中区 |
冶金矿山设备 |
产品搜索产品中心
电话: 13390608028 传真: 0514-84718656 联系人: 吕先生 邮箱: 1509364938@qq.com 地址: 江苏省扬州市高邮市汤庄镇工业集中区 |
冶金矿山设备
|
相关产品

DPZ-□型电液动平板闸门
电液动扇形闸门
装车闸门
电液动腭式闸门
电液动锥形双层卸灰阀